2級電気工事施工管理技士 過去問
令和7年度(2025年)後期
問15 (ユニットC 問5)

このページは閲覧用ページです。
履歴を残すには、 「新しく出題する(ここをクリック)」 をご利用ください。

問題

2級電気工事施工管理技士試験 令和7年度(2025年)後期 問15(ユニットC 問5) (訂正依頼・報告はこちら)

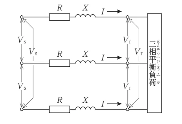
図に示す三相3線式配電線路の送電端電圧VS〔V〕と受電端電圧Vr〔V〕の間の電圧降下v〔V〕を表す簡略式として、正しいものはどれか。
ただし、各記号は、次のとおりとする。
R:1線当たりの抵抗〔Ω〕
X:1線当たりのリアクタンス〔Ω〕
cosθ:負荷の力率
I:線電流〔A〕
問題文の画像
  • 解答選択肢の画像
  • 解答選択肢の画像
  • 解答選択肢の画像
  • 解答選択肢の画像

次の問題へ

正解!素晴らしいです

残念...

この過去問の解説 (1件)

01

三相3線式配電線路の送電端電圧と受電端電圧の間の電圧降下を求める問題です。

 

1相分の抵抗 R [Ω]、リアクタンス X [Ω]、負荷電流 I [A]、負荷の力率 cosθ、負荷の無効率 sinθ、送電端相電圧 Vs [V] 、受電端相電圧 Vr [V]とします。

受電端の相電圧 Vrを基準に、送電端の電圧と電流のベクトル図は、下図のようになります。

 

θsrはVsとVrの位相差で、小さい値になるため、Vs=O-c と近似できます。

よって、Vs=Oa+ab+bcとなって、送電端相電圧 Vsと、受電端相電圧 Vrと、線電流  I の関係は、次の式で表されます。

Vs=Vr+I×(R cosθ+X sinθ)

 

1相分の電圧降下 e は、

e=Vs-Vr=I×(R cosθ+X sinθ)

です。

三相3線式の電圧降下v3は、線間電圧が相電圧の√3倍になるため、

v3=√3×e=√3×I×(R cosθ+X sinθ)

となります。

選択肢1. 解答選択肢の画像

1/√3ではなく√3で、かつ、sinθとcosθが逆です

選択肢2. 解答選択肢の画像

1/√3ではなく√3です

選択肢3. 解答選択肢の画像

sinθとcosθが逆です

選択肢4. 解答選択肢の画像

冒頭解説での、計算式と同じです

参考になった数3