2級電気工事施工管理技士 過去問
令和7年度(2025年)後期
問3 (ユニットA 問3)

このページは閲覧用ページです。
履歴を残すには、 「新しく出題する(ここをクリック)」 をご利用ください。

問題

2級電気工事施工管理技士試験 令和7年度(2025年)後期 問3(ユニットA 問3) (訂正依頼・報告はこちら)

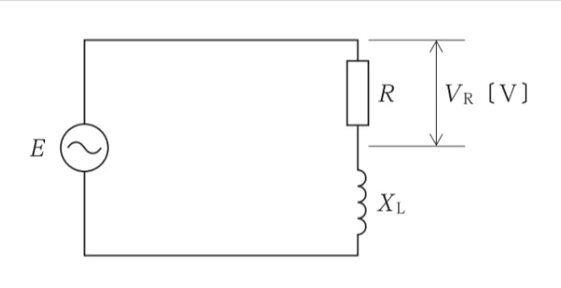
図に示す単相交流回路において、抵抗Rの両端の電圧VRの値〔V〕として、正しいものはどれか。
ただし、電圧Eの実効値は100V,抵抗Rは8Ω、誘導性リアクタンスXLは6Ωとする。
問題文の画像
  • 20V
  • 40V
  • 60V
  • 80V

次の問題へ

正解!素晴らしいです

残念...

この過去問の解説 (1件)

01

単相交流回路に接続されている抵抗とコイルの、抵抗にかかる両端電圧を求める問題です。

 

抵抗をR、コイル抵抗を XL とすると、回路のインピーダンス Z は、

Z=√(R2+XL2)

=√(82+62)

=10 [Ω]

となって、回路に流れる電流 I は、I=E/V=100/10=10 [A]

 

したがって、抵抗Rにかかる電圧VRは、

VR=R×I=8×10=80 [V]

選択肢1. 20V

計算方式か計算の誤りでしょう。

選択肢2. 40V

計算方式か計算の誤りでしょう。

選択肢3. 60V

計算方式か計算の誤りでしょう。

選択肢4. 80V

冒頭解説どおりの計算結果です

参考になった数1