2級電気工事施工管理技士 過去問
令和7年度(2025年)前期
問3 (ユニットA 問3)

このページは閲覧用ページです。
履歴を残すには、 「新しく出題する(ここをクリック)」 をご利用ください。

問題

2級電気工事施工管理技士試験 令和7年度(2025年)前期 問3(ユニットA 問3) (訂正依頼・報告はこちら)

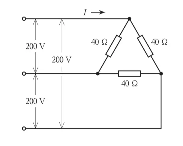
図に示す三相負荷に三相交流電源を接続したときに流れる電流Iの値〔A〕として、正しいものはどれか。
問題文の画像
  • 5/√3A
  • 5A
  • 5√3A
  • 15A

次の問題へ

正解!素晴らしいです

残念...

この過去問の解説 (3件)

01

この回路は デルタ結線(Δ結線) の三相負荷です。各相に 40 Ω の抵抗が接続されており、線間電圧(線電圧) が 200 V と与えられています。

選択肢1. 5/√3A

不正解です。

選択肢2. 5A

不正解です。

選択肢3. 5√3A

デルタ結線では、相電圧 = 線間電圧 なので

:I相=V相/R=200/40=5 A

 

デルタ結線では、線電流 は 相電流の √3 倍 になります

:I線=3⋅I相=√3⋅5=5√3 A

 

よって、正解です。

選択肢4. 15A

不正解です。

まとめ

この問題は三相交流の基本公式をしっかり押さえていればスムーズに解けます。

参考になった数12

02

この問題は、三相交流回路(デルタ結線)における線電流の計算です。

まずは、問題の図から、計算に必要な条件を整理します。

三相電源=各相200V(線間電圧)

負荷=各相40Ωの抵抗(Δ結線)

求めるもの=線電流I(図の上部に流れる電流)

 

線電流を求めるために、まずは相電流を求めます。

デルタ結線では、相電圧=線間電圧のため、各抵抗にかかる電圧=200V、抵抗=40Ωとなり、相電流=200V÷40Ω=5Aとなります。

デルタ結線では、線電流=相電流の√3倍となるため、

I=5A×√3

=5√3Aとなります。

選択肢3. 5√3A

上記計算より、5√3Aとなります。

まとめ

三相交流回路の計算問題では、デルタ結線の場合とスター結線の場合の、線電流・相電流、線間電圧・相電圧の関係を整理する必要があります。今回の問題のデルタ結線の場合は、線間電圧=相電圧、線電流=相電流×√3となることがポイントです。

参考になった数6

03

この図の三相負荷はΔ結線となります。また求める電流Iは線電流となりますが、Δ結線では以下のような関係が成り立ちます。

・線電流=相電流×√3

・線間電圧=相電圧

以上の関係から、オームの法則を用いて求めていくと次のようになります。

 

・相電流I=V/R=200/40=5[A]

・線電流I=相電流×√3=5√3[A]

以上となります。

選択肢3. 5√3A

こちらが正しいです。

まとめ

三相交流回路ではΔ結線の他にY(スター)結線があり、電圧や電流値が違うのでご注意ください。

参考になった数0